设为首页 | 加入收藏
网站首页 公司简介 产品展示 工程案例 客户反馈 招贤纳士
产品分类
高炉炉顶成像
高炉雷达探尺
高炉料罐雷达物位仪系.
高温工业电视系统
干熄焦雷达物位仪
雷达料仓物位计
鱼雷罐车铁水液位计
高炉风口工业电视系统
高炉炉喉洒水冷却系统
十字测温探测系统
雷达物位
机械传动
调节阀
高炉防风口灌渣系统
高炉水温差数字检测系.
高温工业电视炉膛火焰.
高炉炉顶喷雾打水降温.
物位仪表
流量仪表
数显及辅助仪表
温度仪表
压力仪表
隔离器、安全栅
其它
高炉铁水罐雷达液面检.
标准仪表
联系我们

天津市一诺天地科技有限公司
地址:天津潘庄工业区星石科技产业园D座9号

联系人:李雅倩
手机:13902151331
电话:022-69555969
传真:022-26218537
邮箱:tj_en@163.com
邮编:300011

产品展示 Products
ENS808、ENS818风压变送器

ENS808ENS818风压变送器

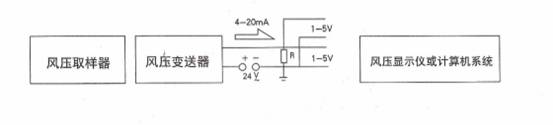
ENS808ENS818风压变送器是风压测量装置中最主要的部件。其主要作用是将风压取样器采集到的微弱变化风压电信号,经缓冲,放大和电压电流变换后输出(4~20mA标准的电流信号。变换后的电流信号适宜于远距离传输而中途不会有所衰减或被其他工频信号干扰,在进入控制室后经过250Ω转换电阻,即可变换成1~5V直流电压的联络信号,该信号可并联地传输给各个控制仪表或计算机系统,采用二线制风压变送器最大的优点是现场变送器和控制室的仪表之间的联系仅仅使用两根导线,这两根导线既是供给变送器工作的电源线,又是信号输出线,这样不但节省了大量的金属导压管,大大降低了安装费用,而且安全防泄漏。

主要技术参数及特点

★量  程:0~1.5KPa~100KPa各档

★精  度:优于0.25%,0.5

★稳定性:±0.2%,0.5

★输  出:4~20mA

★供  电:24V.DC

★宝塔嘴接口或过程直接安装

★高精度低成本

★适用于风压测量

工作传输原理图

 

 

 

 

 

网站首页 | 公司介绍 | 产品展示 | 工程案例 | 客户反馈 | 招贤纳士

版权所有:天津市一诺天地科技有限公司  津ICP备18007246号-1  津公网安备12022102000175号

   技术支持:企商科技